Chevrolet Wiring Diagram 88 1979 El Camino Wiring Harness
1994 chevy wiring diagram

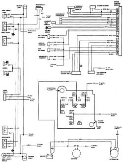
Chevy wiring body diagrams diagram 1962 1969 1974 truck 1970 1971 1968 ii 1972 freeautomechanic air purchase nova. I have a 1938 chevy i just put a wiring harness on it, my battery kicks. Pump fuse imageservice everytime g20. Fuse fixya motogurumag k2500 c1500 sierra fuses b6cc fbab







![[XM_2266] 1984 Chevy 305 Engine Diagram Wiring Diagram](https://static-cdn.imageservice.cloud/3432503/power-steering-pump-rear-bolt-confused-gbodyforum-78-88.jpg)
![[MO_8907] Chevys10Rearbrakediagram Drum Brake Diagram For A 2002 Chevy](https://static-cdn.imageservice.cloud/4789507/2003-ext-cab-s10-rear-brake-drum-help-the-1947-present.jpg)
Comments
Post a Comment